Home > Internal Driven Piezo Buzzer

  • HP2319XW  Piezo Alarm Buzzer
HP2319XW  Piezo Alarm Buzzer

HP2319XW Piezo Alarm Buzzer

  • Product description: HP2319XW 12V DC Piezo Alarm Buzzer,Main application is Air conditioning, refrigerator.12v dc piezoelectric piezo alarm buzzer is small size, low power consumption, high sound pressure .
  • INQUIRY

Piezo Alarm Buzzer  HP2319XW

Buzzer Datasheet:
Lead wire type
Internal Driven Piezo Buzzer (With oscillator circuit)
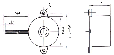
Dia 23x19mm Worked with 12V DC, Output3.5K Hz 85dB at 10cm

Type

UNIT

HP2319XW

*Min. Sound Output at10cm

dB

85

Rated Voltage

VDC

12

Operating Voltage

VDC

3~20

Resonant Frequency

Hz

3400±500

*Max. Current Consumption

mA

15

Tone Nature


Continuous

Operating Temperature

°C

-20~+70

Storage Temperature

°C

-30~+80

Weight

g

6

Value applying at rated voltage

DIMENSIONS     Unit:mm     Tolerance:±0.5