Home > Internal Driven Piezo Buzzer

  •  HP4020X Piezo Alarm Buzzer
 HP4020X Piezo Alarm Buzzer

HP4020X Piezo Alarm Buzzer

  • Product description: HP4020X Piezo Alarm Buzzer ,30cm 100db piezo buzzer with pin.apply for industrial alarm ,air condition . Usually the Rated Voltage is 3-20 V,any special request can be customized .
  • INQUIRY

Piezo Alarm Buzzer  HP4020X

Buzzer Datasheet:
Pin termina  Type
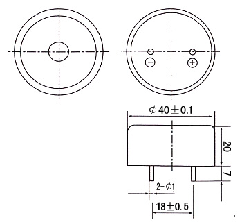
Internal Driven Piezo Buzzer (With oscillator circuit)
Dia 40 x20mm Worked with 12V DC .Output 3.2K Hz 100dB at 30cm

Type

UNIT

HP4020X

*Min. Sound Output at30cm

dB

100

Rated Voltage

VDC

12

Operating Voltage

VDC

3~20

Resonant Frequency

Hz

3200±500

*Max. Current Consumption

mA

70

Tone Nature


Continuous

Operating Temperature

°C

-20~+70

Storage Temperature

°C

-30~+80

Weight

g

13


Value applying at rated voltage

DIMENSIONS     Unit:mm     Tolerance:±0.5